www.xichuangck.com
 
  • 地址:山东省淄博市高新区       高创园
  • 电话:0533-3582860
  • 传真:0533-3582860
  • 手机:13953370916
  • 网址:www.xichuangck.com

    还没有添加信息!


 
 
产品名称:MCT80D-R(C)导轨式温度变送器 价格:¥100(含17%增值税)
产品详细介绍
MCT80D导轨式温度变送器(热电阻/热电偶)通过先进的电路集成和处理技术,配合不同的温度传感器,实现对现场温度的准确测量,并输出标准电压或电流信号。
 
特点及用途:
温度变送器采用标准的DIN35导轨安装,具有体积小,转换精度高,性能稳定,拆装简单、方便等特点。产品性能可靠和稳定,是智能调节器和DCS系统理想的配套单元。可广泛用于电力、石化、科研、工业测量、医药、化工、机械制造、冶金等温度测量领域。
 
技术参数:
  • 输出信号:(4~20)mA、(0~5)VDC、(0~10)VDC等
  • 输入信号:热电阻:Pt100、Pt500、 Pt1000、 Cu50;
                         热电偶:K型、E型、S型、T型、J 型、B型、R型、N型
  • 负载电阻:≤500Ω(电流输出),≥3KΩ(电压输出)
  • 输入线阻:≤50Ω
  • 电源电压:1、24VDC  2、12VDC  3、其它电源请注明
  • 环境温度:-20~80℃
  • 相对湿度:5~90%RH(无凝露)
  • 准确度:0.2%F.S; 0.5%F.S
  • 消耗功率:≤0.6W
  • 外壳:耐高温阻燃工程塑料
  • 安装形式:DIN导轨安装
 
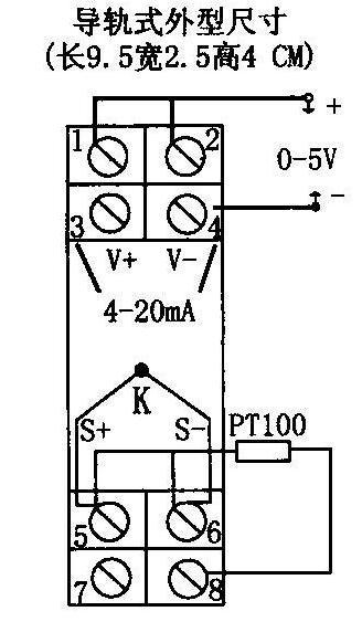
外形及接线示意图:(如下图)
产品选型:

MCT80D        导轨式温度变送器(热电阻: MCT80D-R;热电偶: MCT80D-C)
型号
选项
 
C口
选择传感器类型
 
1、Pt100  2、Pt500  3、Pt1000  4、Cu100  5、Cu50
6、K型 7、E型 8、S型 9、T型 10、J 型 11、B型 12、R型 13、N型
 
S口选择输出信号
0     用户注明
                         
1
(4~20)mA(默认)
2
(0~5)VDC
3

(0~10)VDC

 
2008 © 淄博西创测控技术开发有限公司 XICHUANG M&C 版权所有 | 压力变送器 | 鲁ICP备11029491号-1 | 技术支持:淄博网站建设